90 度
J01AN1014A
J01AN1014A 的详细技术规格、参考属性与配套合规文档。
规格
技术表
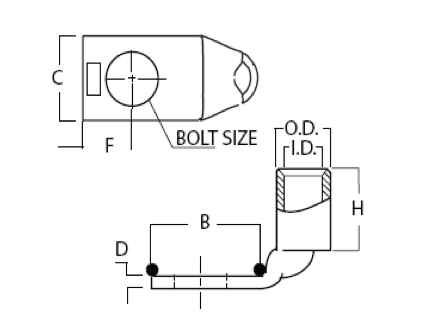
查看该产品型号的详细尺寸与属性信息。
| Celestra | WIRE SIZE | BOLT SIZE | Dimension (in) | ||||||
|---|---|---|---|---|---|---|---|---|---|
| Cat. No. | B | C | D | F | ID | OD | R | ||
| J01AN1014A | 1/0 | 1/4 | 0.85 | 0.77 | 0.13 | 0.37 | 0.40 | 0.52 | 0.66 |
分类背景
产品说明
支持资料
文档与属性
Product Type :
- Stud Size : 1/4
- Tongue Thickness(in.) : 0.13