相关变体
查看附近选项
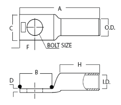
规格
产品表
比较该分类下可用的料号、尺寸与相关支持资料。
点击 Cat.No 展开产品详情。
| Item | Cat.No | WIRE SIZE | Bolt Size | Dimension (in) | |||||||
|---|---|---|---|---|---|---|---|---|---|---|---|
| A | B | C | D | F | ID | OD | H | ||||
| 1 | J08AN0808 | 8AWG | #8 | 1.15 | 0.48 | 0.41 | 0.08 | 0.20 | 0.18 | 0.27 | 0.50 |
| 2 | J08AN0810 | 8AWG | #10 | 1.11 | 0.44 | 0.41 | 0.08 | 0.20 | 0.18 | 0.27 | 0.50 |
| 3 | J08AN0814 | 8AWG | 1/4 | 1.17 | 0.50 | 0.45 | 0.07 | 0.23 | 0.18 | 0.27 | 0.50 |
| 4 | J08AN0838 | 8AWG | 3/8 | 1.29 | 0.62 | 0.56 | 0.06 | 0.28 | 0.18 | 0.27 | 0.50 |
| 5 | J08AN0856 | 8AWG | 5/16 | 1.29 | 0.62 | 0.56 | 0.06 | 0.28 | 0.18 | 0.27 | 0.50 |
| 6 | J06AN0610 | 6AWG | #10 | 1.30 | 0.52 | 0.49 | 0.07 | 0.24 | 0.22 | 0.30 | 0.58 |
| 7 | J06AN0614 | 6AWG | 1/4 | 1.30 | 0.52 | 0.49 | 0.07 | 0.24 | 0.22 | 0.30 | 0.58 |
| 8 | J06AN0638 | 6AWG | 3/8 | 1.42 | 0.64 | 0.60 | 0.06 | 0.30 | 0.22 | 0.30 | 0.58 |
| 9 | J06AN0656 | 6AWG | 5/16 | 1.42 | 0.64 | 0.60 | 0.06 | 0.30 | 0.22 | 0.30 | 0.58 |
| 10 | J04AN0410 | 4AWG | #10 | 1.37 | 0.57 | 0.55 | 0.08 | 0.27 | 0.27 | 0.37 | 0.55 |
| 11 | J04AN0414 | 4AWG | 1/4 | 1.37 | 0.57 | 0.55 | 0.08 | 0.27 | 0.27 | 0.37 | 0.55 |
| 12 | J04AN0438 | 4AWG | 3/8 | 1.45 | 0.65 | 0.62 | 0.08 | 0.31 | 0.27 | 0.37 | 0.55 |
| 13 | J04AN0456 | 4AWG | 5/16 | 1.45 | 0.65 | 0.62 | 0.08 | 0.31 | 0.27 | 0.37 | 0.55 |
| 14 | J02AN0110 | 1AWG | #10 | 1.57 | 0.71 | 0.70 | 0.11 | 0.33 | 0.36 | 0.47 | 0.61 |
| 15 | J02AN0112 | 1AWG | 1/2 | 1.71 | 0.85 | 0.77 | 0.11 | 0.37 | 0.36 | 0.47 | 0.61 |
| 16 | J02AN0114 | 1AWG | 1/4 | 1.57 | 0.71 | 0.70 | 0.11 | 0.33 | 0.36 | 0.47 | 0.61 |
| 17 | J02AN0138 | 1AWG | 3/8 | 1.71 | 0.85 | 0.70 | 0.11 | 0.33 | 0.36 | 0.47 | 0.61 |
| 18 | J02AN0156 | 1AWG | 5/16 | 1.57 | 0.71 | 0.70 | 0.11 | 0.33 | 0.36 | 0.47 | 0.61 |
| 19 | J02AN0176 | 1AWG | 7/16 | 1.75 | 0.89 | 0.77 | 0.11 | 0.37 | 0.36 | 0.47 | 0.61 |
| 20 | J01AN1012 | 1/0 | 1/2 | 1.76 | 0.85 | 0.77 | 0.13 | 0.37 | 0.40 | 0.52 | 0.66 |
| 21 | J01AN1014 | 1/0 | 1/4 | 1.76 | 0.85 | 0.77 | 0.13 | 0.37 | 0.40 | 0.52 | 0.66 |
| 22 | J01AN1038 | 1/0 | 3/8 | 1.85 | 0.94 | 0.77 | 0.13 | 0.37 | 0.40 | 0.52 | 0.66 |
| 23 | J01AN1056 | 1/0 | 5/16 | 1.85 | 0.94 | 0.77 | 0.13 | 0.37 | 0.40 | 0.52 | 0.66 |
| 24 | J01AN1076 | 1/0 | 7/16 | 1.76 | 0.85 | 0.77 | 0.13 | 0.37 | 0.40 | 0.52 | 0.66 |
| 25 | J10AN2012 | 2/0 | 1/2 | 1.93 | 0.94 | 0.89 | 0.13 | 0.43 | 0.44 | 0.57 | 0.69 |
| 26 | J10AN2014 | 2/0 | 1/4 | 1.93 | 0.94 | 0.84 | 0.13 | 0.41 | 0.44 | 0.57 | 0.69 |
| 27 | J10AN2038 | 2/0 | 3/8 | 1.91 | 0.92 | 0.84 | 0.13 | 0.41 | 0.44 | 0.57 | 0.69 |
| 28 | J10AN2056 | 2/0 | 5/16 | 1.91 | 0.92 | 0.84 | 0.13 | 0.41 | 0.44 | 0.57 | 0.69 |
| 29 | J10AN2058 | 2/0 | 5/8 | 1.93 | 0.94 | 0.89 | 0.13 | 0.43 | 0.44 | 0.57 | 0.69 |
| 30 | J10AN2076 | 2/0 | 7/16 | 1.93 | 0.94 | 0.89 | 0.13 | 0.43 | 0.44 | 0.57 | 0.69 |
| 31 | J20AN3012 | 3/0 | 1/2 | 2.12 | 0.98 | 0.95 | 0.13 | 0.46 | 0.51 | 0.64 | 0.82 |
| 32 | J20AN3014 | 3/0 | 1/4 | 2.07 | 0.93 | 0.95 | 0.13 | 0.46 | 0.51 | 0.64 | 0.82 |
| 33 | J20AN3038 | 3/0 | 3/8 | 2.12 | 0.98 | 0.95 | 0.13 | 0.46 | 0.51 | 0.64 | 0.82 |
| 34 | J20AN3056 | 3/0 | 5/16 | 2.07 | 0.93 | 0.95 | 0.13 | 0.46 | 0.51 | 0.64 | 0.82 |
| 35 | J20AN3076 | 3/0 | 7/16 | 2.12 | 0.98 | 0.95 | 0.13 | 0.46 | 0.51 | 0.64 | 0.82 |
| 36 | J30AN4012 | 4/0 | 1/2 | 2.17 | 1.03 | 1.04 | 0.14 | 0.50 | 0.56 | 0.70 | 0.82 |
| 37 | J30AN4038 | 4/0 | 3/8 | 2.17 | 1.03 | 1.04 | 0.14 | 0.50 | 0.56 | 0.70 | 0.82 |
| 38 | J30AN4056 | 4/0 | 5/16 | 2.16 | 1.02 | 1.04 | 0.14 | 0.50 | 0.56 | 0.70 | 0.82 |
| 39 | J30AN4076 | 4/0 | 7/16 | 2.17 | 1.03 | 1.04 | 0.14 | 0.50 | 0.56 | 0.70 | 0.82 |
| 40 | J40AN2512 | 250 MCM | 1/2 | 2.55 | 1.24 | 1.14 | 0.14 | 0.56 | 0.63 | 0.77 | 0.96 |
| 41 | J40AN2514 | 250 MCM | 1/4 | 2.44 | 1.13 | 1.14 | 0.14 | 0.56 | 0.63 | 0.77 | 0.96 |
| 42 | J40AN2538 | 250 MCM | 3/8 | 2.44 | 1.13 | 1.14 | 0.14 | 0.56 | 0.63 | 0.77 | 0.96 |
| 43 | J40AN2556 | 250 MCM | 5/16 | 2.44 | 1.13 | 1.14 | 0.14 | 0.56 | 0.63 | 0.77 | 0.96 |
| 44 | J40AN2576 | 250 MCM | 7/16 | 2.55 | 1.24 | 1.14 | 0.14 | 0.56 | 0.63 | 0.77 | 0.96 |